FM10 Electric Log Splitter – Spare Parts

From £0.05 incl. VAT

To cover costs, a ยฃ4.99 shipping fee will be charged for any order below ยฃ5 in total value due to the low price of the items.

(117 customer reviews)
Add to Cart
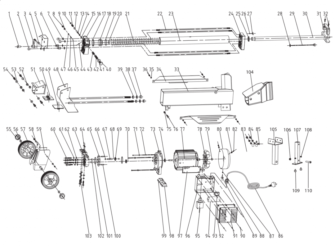
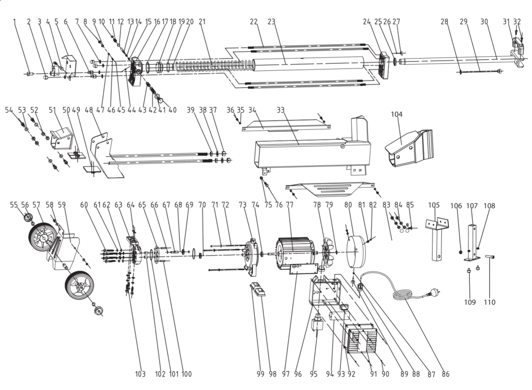
electric log splitter exploded diagram
FM10 Electric Log Splitter - Spare Parts
From £0.05 incl. VAT
Limited stock left available!
SKU: FM10-SPARE-PARTS Categories: , Tags: ,
Brand: Forest Master

*Free Next Working Day Delivery for Mainland UK

  • 30 days easy returns
  • Order before 3 PM (BST) for same-day dispatch
  • Worldwide shipping available

*Conditions apply โ€” see full delivery information for details and exclusions.

Our electric log splitter parts are made from high-quality materials to ensure durability and longevity.

This SKU includes all the necessary spare parts you need to keep your log splitter working efficiently. Our package includes various parts such as hydraulic pumps, motors, valves, cylinders, and hoses, as well as smaller parts like bearings, seals, and o-rings.

Our spare parts are designed to be compatible with most electric log splitter models, making it easy to repair and maintain your log splitter. With this SKU, you’ll have everything you need to keep your log splitter running smoothly, ensuring you can keep up with your work without any downtime.

We understand the importance of having your electric log splitter functioning properly and are committed to providing our customers with the best quality spare parts. Our products have undergone rigorous testing to ensure they meet or exceed industry standards, providing you with peace of mind when it comes to quality.

Whether you’re a professional logger or just someone who enjoys chopping firewood, our spare parts SKU has got you covered. With our top-quality spare parts, you can extend the life of your electric log splitter, save money on costly repairs, and get back to work quickly. 

Additional information

Weight N/A
Part Number

FM10 – 001 – Lever Mount Nut, FM10 – 002 – Dome Nut (pair), FM10 – 003 / 004 – Operating Lever & Lever Knob, FM10 – 005 – Lever Hand Guard, FM10 – 006 – End Plat Nute (pair), FM10 – 007 – Copper Gasket, FM10 – 008 – M8 Pressure Adjusting Screw, FM10 – 009 – FM10 O-ring 5.5×2, FM10 – 010 – Circlip for Valve Core Rod, FM10 – 011 – FM10 Valve Core Rod Return Spring, FM10 – 012 – O-Ring 6×1.5, FM10 – 013 – Valve Core Rod, FM10 – 014 – Sliding Pressure Sensor Sleeve, FM10 – 015 – Sliding Pressure Sensor Sleeve Spring, FM10 – 016 – Aluminium Cover Rear (5 Ton 55mm Cylinder), FM10 – 016-7 – Aluminium Cover Rear (7 Ton 60mm Cylinder), FM10 – 017 – O-Ring for Rear Cover (60mm Cylinder), FM10 – 018 – FM10 Piston (60mm Cylinder), FM10 – 019 – Piston Ring (60mm Cylinder), FM10 – 020 – O-Ring Inner Piston (60mm Cylinder), FM10 – 021 – Piston Return Spring, FM10 – 022 – Threaded Stud Tie Rod, FM10 – 023 – Hydraulic Cylinder (60mm Diameter), FM10 – 024 – Front End Cover (60mm Cylinder), FM10 – 025 – End Plate Piston Rod Seal, FM10 – 026 – O-Ring 7×1.9, FM10 – 027 – Bleed Valve, FM10 – 028 – Washer for Dipstick, FM10 – 029 – Dipstick, FM10 – 030 – Piston Rod, FM10 – 031 – FM10 Lifting Handle, FM10 – 032 – Screw M6 x 16 (for Handle), FM10 – 033 – FM10 Frame Tube Body, FM10 – 034 – Log Guide Rail, FM10 – 035 – M6 Spring Washer, FM10 – 036 – Cap Head Bolt M6x12, FM10 – 037 – M14 Nut (Front Carriage Arm), FM10 – 038 – M14 Flat Washer Carriage Arm, FM10 – 039 – M14 Nut Carriage Arm Rear, FM10 – 041 – Washer Groupware, FM10 – 042 – Valve Sleeve, FM10 – 043 – O-Ring 14×1.9, FM10 – 044 – Adjusting Screw, FM10 – 045 – Steel Ball 6, FM10 – 046 – Pressure Limited Valve Spring, FM10 – 047 – Adjusting Screw, FM10 – 048 – Heavy Duty Moving Carriage, FM10 – 050 – Upper Plastic Spacer, FM10 – 051 – Pusher Block, FM10 – 052 – M10 Nyloc Nut (DuoCut Blade), FM10 – 053 – M10 Flat Washer, FM10 – 054 – M10x30 Shouldered Bolt (DuoCut Blade), FM10 – 055 – Wheel Cover, FM10 – 056 – Wheel Circlip, FM10 – 057 – Wheel, FM10 – 059 – Wheel Carriage (Orange), FM10 – 060 – Bolt M8 x 55, FM10 – 061 – M8 Spring Washer, FM10 – 062 – M8 Flat Washer, FM10 – 063 – Pump Bracket, FM10 – 064 – O-Ring 10.6×2.65, FM10 – 065 – Gear Housing Plate, FM10 – 066 – Circlip, FM10 – 067 – Gear Shaft, FM10 – 068 – Steel Ball 2.5, FM10 – 069 – Gear, FM10 – 070 – Pin 2.5 x 4, FM10 – 071 – M5 Flat Washer, FM10 – 072 – M5 Long Motor Casing Bolt, FM10 – 073 – Motor End Cover Pump Face, FM10 – 074 – Motor Oil Seal FB11x26x7, FM10 – 075 – M8 Nut, FM10 – 076 – Bolt M8x35, FM10 – 078 – Fan for Electric Motor, FM10 – 080 – Fan Cover for Electric Motor, FM10 – 081 – Spring Washer (Fan Cover), FM10 – 082 – M5 x 10 Cross Head Screw (Fan Cover), FM10 – 084 – M8 Nut, FM10 – 085 – Bolt M8 x 12 Front Leg, FM10 – 086 – Power Cable, FM10 – 090 – Screw M4 x 10, FM10 – 091 – Switch Box Cover, FM10 – 092 – Switch Box Gasket, FM10 – 093 – Connection Block, FM10 – 094 – Capacitor, FM10 – 095 – Switch, FM10 – 096 – Switch Box, FM10 – 097 – Waterproof Underlay, FM10 – 098 – Motor Left Rubber Foot, FM10 – 099 – Motor Right Rubber Foot, FM10 – 100 – Pin 8×24 (Pump Dowel), FM10 – 101 – O-Ring 46.2×1.8 (Pump Plate), FM10 – 102 – Metal Bushing, FM10 – 103 – Bolt M8 x 30, FM10 – 104 – DuoCut Blade, FM10 – 105 – Short Front Leg (Orange), FM10 – 106 – M8 Nyloc Nut, FM10 – 107 – Short Front Foot, FM10 – 108 – Nut (Front Foot), FM10 – 109 – Bolt-on Foot (Short Leg), FM10 – 110 – M8 x 35 Cap Head Bolt, FM10 – PMOTOR – Complete Pump & Motor Assembly, FM10 – SMOTOR – Short Motor, FM10 – Valve – Complete Valve Assembly

117 reviews for FM10 Electric Log Splitter – Spare Parts

Powered byCusRev
4.7
Based on 117 reviews
5 star
84
84%
4 star
10
10%
3 star
0
0%
2 star
1
1%
1 star
2
2%
1-5 of 117 reviews
  1. I ‘m not sure what I am rating here. I presume this figure refers to one motor fan!!

    (0) (0)
  2. Incredibly helpful guide to the parts that I was advised that I needed, even though the actual parts only cost pennies. Thank you all at Forest Master

    (0) (0)
  3. (0) (0)
  4. Just what was needed to work with a Hyundai splitter.

    (0) (0)
  5. Quality product, fit for purpose

    (0) (0)
Add a review
Currently, we are not accepting new reviews

Q & A

Ask a question
You must be logged in to ask a question Log In
Will this sleeve and piston fit a scheppach HL660 ? Steve ward asked on March 10, 2023

Unfortunately, we cannot say for sure. We have two models of sleeve & piston available, 54mm and 65mm in diameter. I would recommend checking the diameter of the sleeve & piston within your machine to know which one you require.

Forest Master answered on March 13, 2023 store manager

Unfortunately, we cannot say for sure. We have two models of sleeve & piston available, 54mm and 65mm in diameter. I recommend checking the diameter of the sleeve & piston within your machine to know which one you require.

Forest Master answered on March 13, 2023 store manager

54

Daubresse answered on August 19, 2024
(0) (0)
Add an answer
You must be logged in to answer a question Log In
How long is the power cable part No 86? The diagram appears to show a 2 pin plug on the end. Is it actually a UK 3 pin plug? Larrissa Madden asked on March 5, 2023

The power cable is approximately 1.6 meters long. The FM10 is shipped as standard with a UK 3-pin plug and we supply an EU adapter with all international orders.

Forest Master answered on March 13, 2023 store manager
(0) (0)
Add an answer
You must be logged in to answer a question Log In